描述
Φ16mm 短款 三色紅綠藍 自鎖
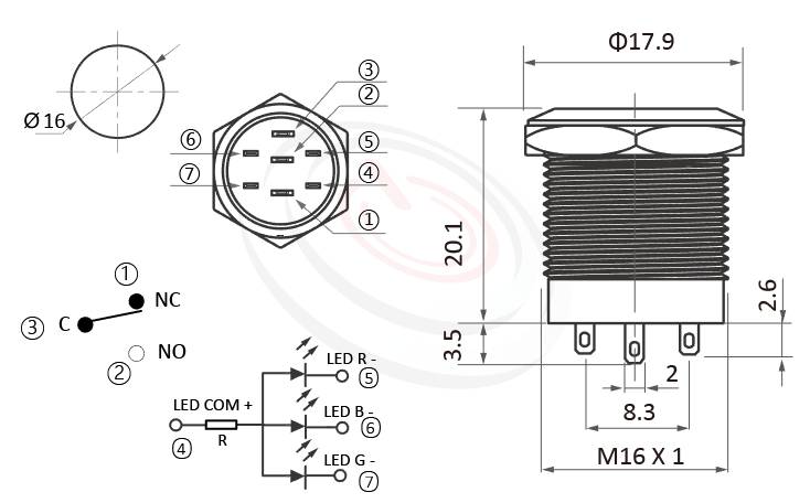
安裝孔尺寸Panel Cut:Φ16 mm
頭部形狀Head Shape:平面Flat Round
開關組合Contact Type:1 NO 1NC 1COM / SPDT
開關功能Operation Type:自鎖式Self-Lock
接線類型Terminal Type:焊線端子式Wiring Terminal
防水等級IP Degree:IP65/IP67
帶燈型式Lamp Type:環型燈Ring Illuminated
LED燈壓Lamp Voltage:3 / 6 / 12 / 24 / 110 / 220 V
燈色LED Color: 紅/綠/藍三色 (共陽極 共陰極可選)
R/G/B Tri-color LED
(Common anode configuration and Common Cathode configuration optional) ![]()





